アクリル レーザーカット・レーザー彫刻・UV印刷
アクリルスタンド
|
アクスタデータ入稿のご案内
|
作成ソフト:イラストレーター・フォトショップ
データを作成する方は、こちらのデータをご用意ください。
裏面印刷の場合も、おもてから見たイメージでご入稿ください。
 |

データは全て原寸で作成して下さい。
イラストや人物の背景を無しにして輪郭に沿った形で印刷したい場合は、画像の背景を透明にしてください。
フォトショップ、PNG・PSD形式で保存してください。
背景があるイラストや写真をそのまま使った四角形の製品をご希望の場合は、背景透過は不要です。
カラーモードは、CMYKで作成ください。
写真の解像度は300dpi以上が推奨です。
解像度が低い場合は印刷が粗くなりますので、再度データをいただく場合がございます。
PCモニターで見たデザイン画像と実際の印刷物とでは発色が違ってきますので、多少色味が違ってくる場合もございます。
テキスト(文字)が入る場合は、必ずアウトラインに変換して下さい。
|
 |

デザインデータとは別のレイヤーで制作ください。
使用するアクリル板は透明です。 色のついた一番表面に見えるデータとは別に、印刷し
たい画像のデザインデータと同じ形の白おさえ用のデータが必要になります。
『白ベース(白おさえ)』と呼ばれる白いインクを重ねて印刷することで、絵柄が透ける
のを防ぎます。
データは、CMYKのK100%で制作ください。印刷物より-0.1mmオフセットの大きさにしてください。

絵柄の輪郭に沿ってアクリル板をカットするための「カットライン」のデータが必要となります。
印刷部分より2mm以上の間隔をとってください。
スタンド用の足(台座に差し込む部分)は弊社で微調整を行う場合がございます。
カットラインは鋭利な部分がありますとケガをする場合がございますので、丸みをもた
せるようにしてください。
カット線はアウトラインをとらないでください。
|
 |

透明の台座中央に差込口がつきます。立たせるための微調整を弊社にて行います。
円形・四角形・六角形・星形・ハート形などオリジナルで制作ください。
画像やイラスト・ロゴなども印刷できます。
画像は、CMYKで、原寸配置したものを埋め込みしてください。解像度は300dpi以上が推奨です。
テキスト(文字)が入る場合は、必ずアウトラインに変換して下さい。
|
※データのご用意が出来ない場合でも、画像のみをいただければデータの作成からお見積りいたします。
大きさや詳細を分かるようにご指定の上、
お問合せください。
作成ソフト:イラストレーター
データは全て原寸で作成して下さい。裏彫りの場合も、おもてから見たイメージでご入稿ください。
テキスト(文字)の場合は必ずアウトラインに変換して下さい。
彫刻部分は線もアウトラインをとってください。彫刻する線幅は0.15㎜以上としてください。(アウトラインをとらない線はケガキ線となります)
画像では彫刻はできませんので、イラストレーターでパスデータを作成し、ベタ塗りにしてください。
カットラインの幅は最低2mm 以上あけて下さい。
二次加工で接着がある場合はレーザーカットは不向きですのでお申し出ください。
※画像のみのご用意でも詳細をいただければデータの作成からお見積りいたします。
※ご入稿データの修正、またはデータの作成も承っております。
お問合せください。
※彫刻部分への色入れも承っております。
お問合わせください。
|
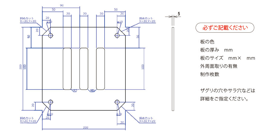
レーザーカットデータ入稿のご案内
|
作成ソフト:CADまたはイラストレーター
データは全て原寸で作成して下さい。
カットラインの幅は最低2mm 以上あけて下さい。
CADデータでの入稿の場合は弊社での修正はいたしません。頂いたデータ通りのカットとなります。
二次加工で接着がある場合はレーザーカットは不向きですのでお申し出ください。
レーザーカット WEB見積りできます
最新のレーザー加工機/UVプリンター
 |
|
■高精度な加工
レーザー加工機を使用することで、細かいデザインや複雑な形状も正確にカットできます。
■多様な用途
ノベルティや記念品、看板、ネームプレート、キーホルダー、ウェルカムボードなど、さまざまな製品に利用できます。
■素材の選択肢
透明なアクリル板だけでなく、さまざまな色や厚みのアクリル板を使用できます。
■彫刻とカットの組み合わせ
レーザー彫刻とカットを組み合わせることで、オリジナルデザインの製品を作成できます。
■レーザーカットとUV印刷
レーザーカット後UV印刷できます。オリジナルデザインのアクリルスタンドやキーホルダーが制作できます。
|
アクリル レーザーカット見本
アクリル レーザー彫刻見本